当前位置:幸运飞行艇官方开奖直播 > 新闻动态 > 正文
二、CU型****轧机
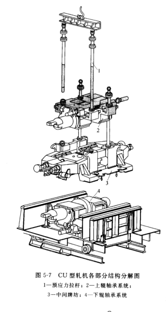
CU型轧机是一种无机架紧凑式****轧机,是近年来发展起来的新型机种。图 5-7 所示为CU型轧机各部分结构分解图。
此轧机的较大特点是没有机架,并目采用预应力的拉杆。它由上水平轧辊及轴承系统,、中间牌坊装置、下水平轧辊及轴承系统和预应力拉杆组成。
上、下水平辊及轴承系统是由轴承座、四列短圆柱滚子轴承、偏心套、双列圆锥滚子轴承及水平轧辗组成,其四列短圆柱滚子轴承承受轧制力,双列圆锥滚子轴承则承受由于轧辊窜动引起的轴向力。偏心套用来调节辊缝。中间牌坊装置是一个中间装有两垂直轧辊的水平放置的牌坊,用以轧制型钢的上 下端面。这三个部件系统由四根拉杆采用预应力方式连接。拉杆通过上水平辊系统的轴承座、中间牌坊的水平机架和下水平辊系统的轴承座,施以一个大于轧制力的预应力使三部连接起来,借此防止任何轧机结构的松动,同时减小了由于轧制力而产生的机械变形。CU型轧机的辊缝控制是用偏心套完成的,这样就省去压下的螺丝和螺母,使水平辊辊缝的调节更加方便。超过偏心套调节范围调整采用垫块完成。一个大直径的螺丝螺母装置可以精确地对轧辊进行轴向调整,使上、下水平辊的孔型位置精确对正。中间牌坊是一个独立装置,因而,CU 轧机可以抽掉中间牌坊,成为普通的预应力二辊轧机。
随着新的轻型工字钢系列的出现,对产品品种规格的要求增多,生产率的提高,出现了由多架****轧机构成的连轧生产线,工字钢及其他型钢的生产也进入了****轧机的连轧时代。其工艺过程如图5-8 所示。
与****粗轧机相配合的是一台轧边机,它的作用是用来轧制型钢腿的端部,控制腿宽,使退的边缘整齐。轧边机实际是一台二辊可逆轧机。
